空气净化器 | 空气净化 - 极大改善室内空气环境
你的位置:首页 > 空气净化器 » 正文

[腾阅电器专营店空气净化,氧吧]美的(Midea)KJ200G-D4月销量0件仅售1198元

2019-04-28 | 人围观 | 评论:

美的(Midea)KJ200G-D41 空气净化器 家用 除甲醛花粉定时负离子

美的(Midea)KJ200G-D41 空气净化器 家用 除甲醛花粉定时负离子

  • 商品详情
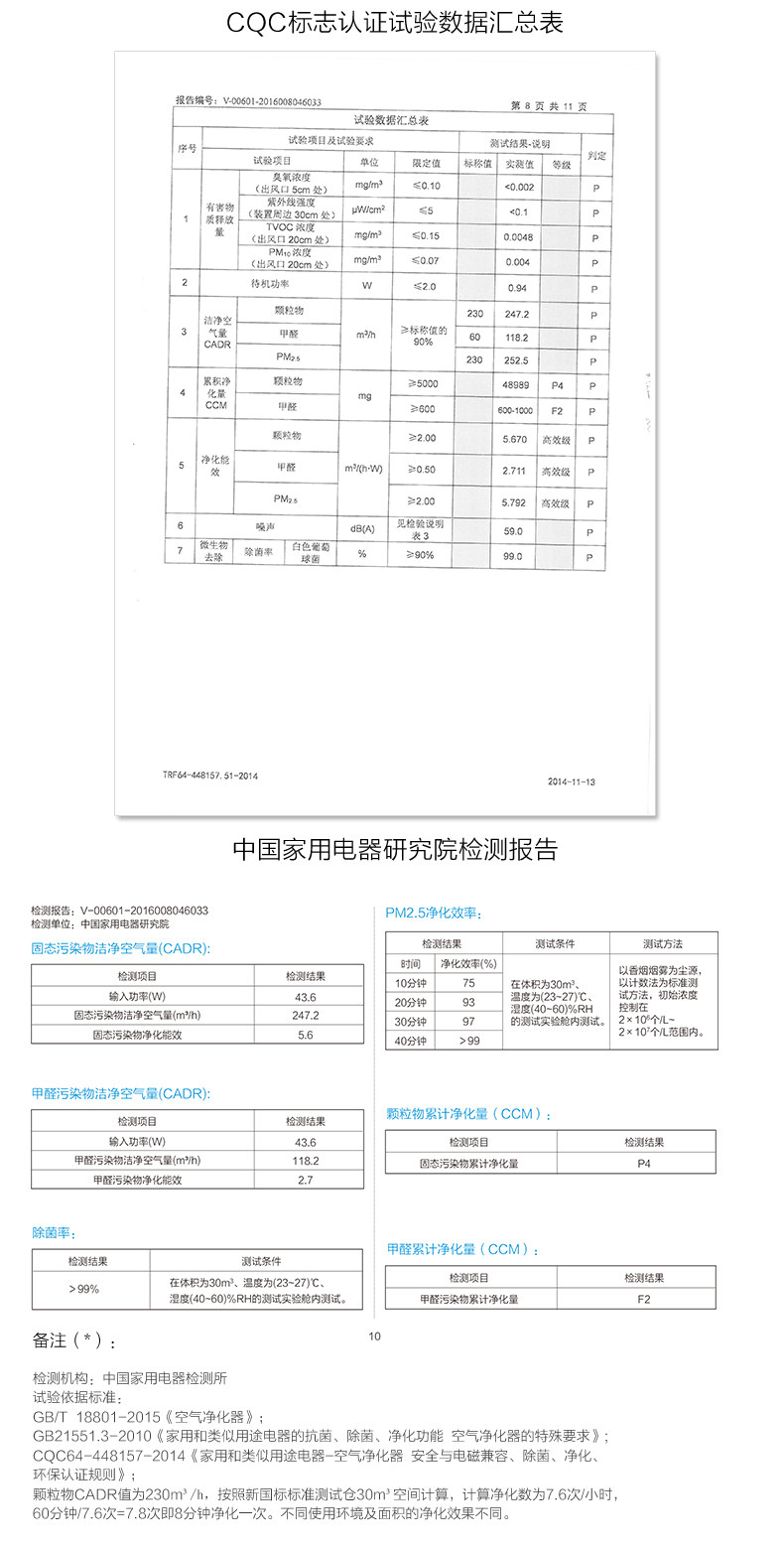
  • 产品名称:Midea/美的 KJ200G-D41
  • 控制方式:按键式
  • 智能类型:其他
  • 滤网类型:复合滤网
  • 适用面积:15㎡ (含)-30㎡ (含)
  • 功能:定时除花粉除甲醛除烟除尘
  • 工作原理:活性炭负离子HEPA技术
  • 空气净化产品类别:空气净化器
  • 风量:151-300 立方米/小时
  • 电源方式:交流电
  • 适用对象:商用、家用
  • 保修期:24个月
  • 售后服务:全国联保
  • 颜色分类:白色
  • 品牌:Midea/美的
  • 型号:KJ200G-D41
  • 生产企业:广东美的环境电器制造有限公司
  • 风量:200立方米/小时
  • 噪音:40-65dB
价格:¥1198元立即购买
留言与评论(共有 0 条评论)
   
验证码:
Top